
聯係人:徐經理
電話:139 6412 8213
地址:濟南市長清區大學科技園
網址:www.hbzw45.com
鉛門磨損故障主要采取更換元件,清理塵土,注油潤滑,使開關門機構動作正常。
1.1修複鉛防護門控製印板
1.1.1在沒有控製印板圖紙的情況下,按照實物繪製整理印板原理圖紙。
1.1.2原理圖分析:廠家為了技術保密,已將控製印板上的四個集成電路功能塊型號完全消除,這給分析工作帶來極大的困難。
1.1.2.1印板外圍器件控製功能、執行功能分析:啟動觸發由紅外感應探頭完成;位置信息采用磁性開關,分布在門的兩端;執行元件采用變頻器帶動門電機完成電動開關門操作。
1.1.2.2分析印板的電源部分、定時控製部分、驅動部分、輸入部分、輸出部分。
圖2, 220V電源經變壓器變壓,通過橋堆整流後,再經電容濾波和穩壓,分別給L 7805和L 7812供電,L 7805輸出5V直流電源,L 7812輸出12V直流電源,通過兩個燈提示電源電壓,5V燈亮度稍暗,屬正常現象。
圖3,延時關門定時部分,開門到位後,氣密門保持開門狀態的時間由此延時線路控製,通過調整電位器可以適當調整開門狀態保持時間。延時時間到,輸出低電位觸發信號,關門集成塊接受觸發信號後,觸發導通控製鉛防護門關門。
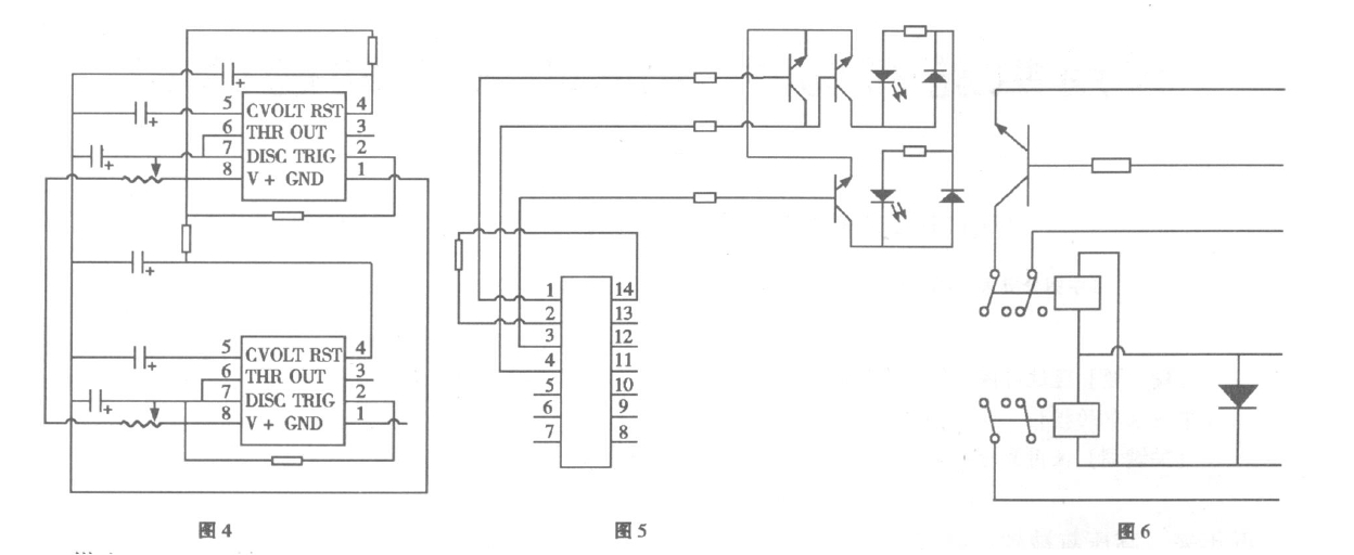
圖4,控製開門和關門的觸發和延時定時部分,觸發信號由輸入端獲得,定時器集成塊低電壓觸發導通,阻容回路完成延時定時功能,保證集成塊處於導通狀態,定時時間到,集成塊恢複截止狀態。上麵的觸發回路控製開門,下麵的觸發回路控製關門。
圖5,防輻射鉛門開關門驅動線路,集成塊得到開門(關「1)信號後驅動開門(關門)三極管導通,再控製相應的繼電器動作,完成開關門操作。開關門操作通過集成塊和外圍元件實現互鎖,保證開門時封閉關門信號,關門時封閉開門信號。由於此集成塊的型號無法辨別,分析工作存在局限性,有不妥之處請指正。
圖6,信號輸入部分.接收來自紅外感應器、開關門到位磁開關等外圍元件的信號,采用繼電器做信號隔離轉換後,對印板輸入開門信號、開門到位信號、關門到位信號,通過信號的時序輸入,完成氣密門的開關門操作。

1.1.2.3綜合外圍器件和印板功能框架初步判斷
集成塊的輸出點、電源點、觸發點、複位點、工作點,以此來判斷集成元件的型號,取得分析印板控製功能的基礎信息。
1.1.2.4對於無法完全分析透徹的內容可通過上電測試來進一步分析其工作原理。上電測試要注意安全,防止觸電。
1.1.3控製印板上電檢查
1.1.3.1上電後首先檢查電源燈,並檢測電源電壓。
1.1.3.2電源正常後,按照控製時序分別對印板輸入端施加輸入信號,觀察輸出信號燈,並聯係印板外圍器件的控製方式,對印板故障進行初步判斷。
1.1.4印板故障分析判斷:綜合以上對印板控製功能的分析,上電後對電源、輸入、輸出和控製部分的初步檢查,發現印板控製部分觸發後無法保持觸發信號,主要問題是觸發工作點的延時功能失效。對照印板具體控製部分元件功能,更換起延時控製功能的相關元件。
1.1.5重新上電測試,按時序施加輸入信號,觀察輸出信號燈,輸出信號正常。鉛防護門控製印板修複完畢